evri-1 Nエブリワン
機能性を追求した電動ベッド
¥559,000
- 品番
- SU-C030 NC1/SP-C03EN
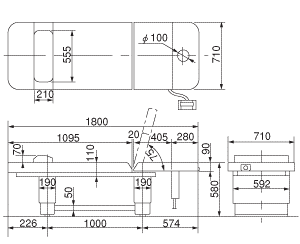
- 寸法
- W710×D1800×H575~785(mm)
特長
あらゆるエステティックメニューに対応するハイクオリティベッド
いままでのベッドの中央にあった駆動部分を前後に分離。幅広にとった前後の支柱が荷重を分担し、それをつなぐ強固なフレームがベッドをしっかり安定させます。トリートメント時のベッドのたわみによるポイントのズレもこれで解消
価格
| 名称 | 品番 | 価格 |
|---|---|---|
| ベッド上部 | SU-C030 NC1 | 97,000 |
| ベッド下部 | SP-C03EN | 462,000 |





